ГОСТ 21.406-88 УДК 691.002:006.354 Группа Ж01 ГОСУДАРСТВЕННЫЙ СТАНДАРТ СОЮЗА ССР Система проектной документации для строительства ПРОВОДНЫЕ СРЕДСТВА СВЯЗИ Обозначения условные графические на схемах и планах System of design documents for construction. Wire communication facilities. Graphical symbols in diagrams and lay-outs ОКСТУ 0021 Дата введения 1989-07-01 ИНФОРМАЦИОННЫЕ ДАННЫЕ 1. РАЗРАБОТАН И ВНЕСЕН Министерством связи СССР РАЗРАБОТЧИКИ Л.Г.Шифманович (руководитель темы), В.П.Абрыков, Э.Н.Дурбанова, Г.П.Юрасова, О.А.Хитринский, В.С.Аникеев, В.А.Есакова, Г.Ф.Знаменская, В.В.Семенов, В.А.Кононова 2. УТВЕРЖДЕН И ВВЕДЕН В ДЕЙСТВИЕ Постановлением Государственного строительного комитета СССР от 27.05.88 № 94 Изменение № 1 принято Межгосударственной научно-технической комиссией по стандартизации, техническому нормированию и сертификации в строительстве 11.12.96 За принятие проголосовали:
3. ВЗАМЕН ГОСТ 2.753-79 4. ССЫЛОЧНЫЕ НОРМАТИВНО-ТЕХНИЧЕСКИЕ ДОКУМЕНТЫ
5. ПЕРЕИЗДАНИЕ (январь 1998 г.) с Изменением N 1, утвержденным в июле 1996 г. (ИУС 4-97) Настоящий стандарт устанавливает обозначения условные графические проводных средств, а также сетей проводного вещания на схемах и планах сооружений и устройств. 1. Обозначения условные графические, установленные настоящим стандартом для вторичных сетей (например: телефонной, телеграфной, передачи данных), допускается использовать и при проектировании сооружений средств радиосвязи. 2. Совместное применение на схемах и планах основных и упрощенных обозначений не допускается. 3. Размеры условных обозначений не регламентируются и выбираются в зависимости от насыщенности схем и масштабов планов с учетом обеспечения четкости изображений. 4. Около обозначений, для которых в таблицах отсутствуют дополнительные требования, на схемах и планах, при необходимости, могут указываться тип станции, аппаратуры и устройства, их емкость, порядковая нумерация и др. параметры. 5. Для оконечных станций систем передачи условные обозначения даны на отдельные виды (элементы) аппаратуры, входящие в комплекс оконечных станций. Конкретные примеры применения условных обозначений элементов оконечных и транзитных станций различных систем передачи на схемах организации связи приведены в приложении 1. Примеры применения условных обозначений оконечных и промежуточных пунктов линии передачи (ЛП) с аппаратурой систем передачи синхронной цифровой иерархии (СП СЦИ) на схемах организации связи приведены в приложении 1а. (Измененная редакция, Изм. № 1). 6. Алфавитный указатель условных обозначений, устанавливаемых стандартом, приведен в приложении 2. 7. Обозначения условные узлов и станций первичной сети, пунктов линии передачи и объединенных узлов и станций приведены в табл. 1. Таблица 1
8. Обозначения условные оконечных станций систем передачи и аппаратуры оконечных станций систем передачи приведены в табл. 2. Таблица 2
9. Обозначения условные аппаратуры оконечных и промежуточных (усилительных и регенерационных) станций линейного тракта систем передачи приведены в табл. 3. Таблица 3
10 Обозначения условные каналов передачи первичных сетей, аппаратуры вещания и вспомогательных устройств первичной сети приведены в табл. 4. Таблица 4
11. Обозначения условные узлов, станций, подстанций и устройств вторичной телефонной сети приведены в табл. 5. Таблица 5
12. Обозначения условные узлов, станций, устройств вторичных сетей телеграфной, факсимильной и передачи данных приведены в табл. 6. Таблица 6
13. Обозначения условные станций и устройств сетей проводного и звукового вещания приведены в табл. 7. Таблица 7
14. Обозначения условные для направляющих сред (кабельных, воздушных) линий передачи и сетей проводного вещания приведены в табл. 8. Таблица 8
15. Прочие условные обозначения, используемые на схемах и планах сооружений связи, приведены в табл. 9. Таблица 9
16. Условные обозначения оконечных и промежуточных пунктов ЛП с аппаратурой СП СЦИ состоят из графического условного обозначения и буквенно-цифрового обозначения элементов аппаратуры, а также номеров цифровых трактов. Размер шрифта буквенно-цифрового обозначения аппаратуры и ее элементов должен быть на один-два номера больше, чем размер шрифта, принятого для размерных чисел на том же чертеже, а также номеров цифровых трактов. Условные обозначения пунктов ЛП с аппаратурой СП СЦИ приведены в табл. 10. Таблица 10
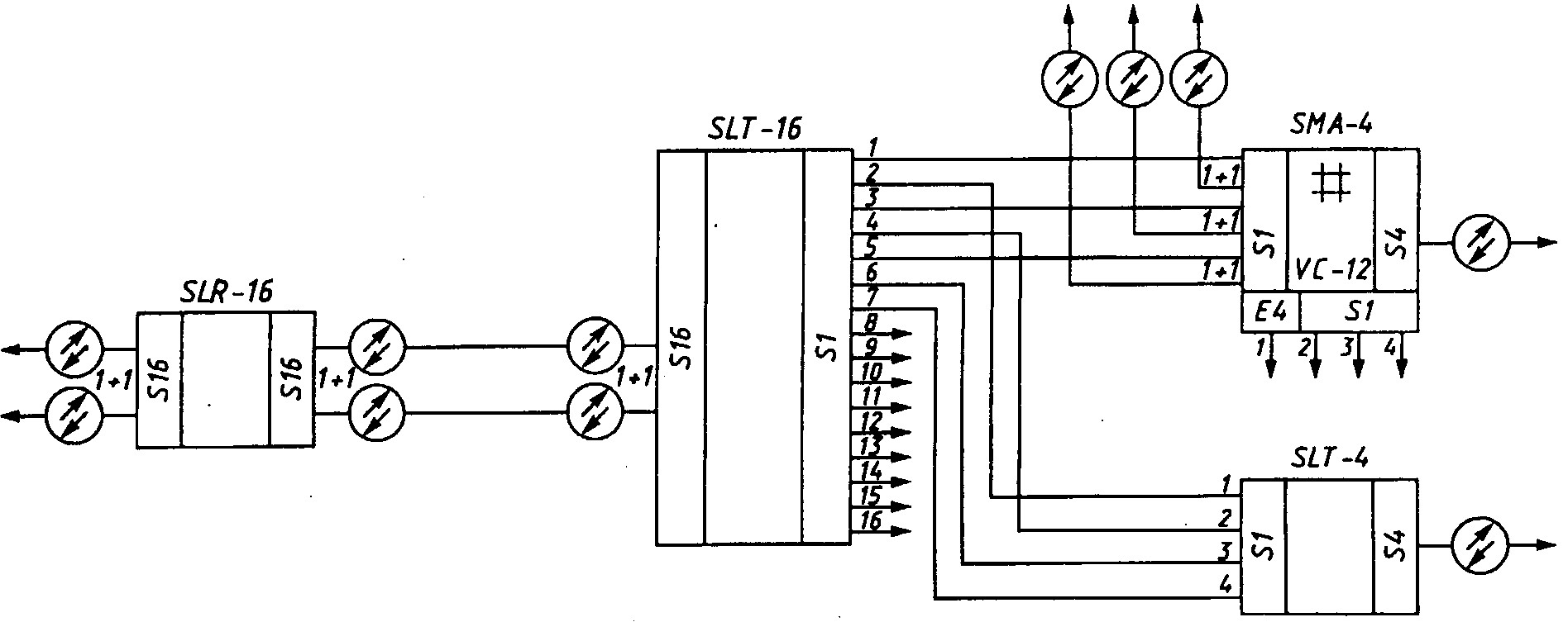
(Измененная редакция, Изм. № 1). ПРИЛОЖЕНИЕ 1 Справочное ПРИМЕРЫ ПОСТРОЕНИЯ НА СХЕМАХ ОРГАНИЗАЦИИ СВЯЗИ УСЛОВНЫХ ОБОЗНАЧЕНИЙ ОКОНЕЧНЫХ И ТРАНЗИТНЫХ СТАНЦИЙ СИСТЕМ ПЕРЕДАЧИ С ИСПОЛЬЗОВАНИЕМ УСЛОВНЫХ ОБОЗНАЧЕНИЙ ЭЛЕМЕНТОВ ЭТИХ СТАНЦИЙ
ПРИЛОЖЕНИЕ 1а Справочное ПРИМЕРЫ ПРИМЕНЕНИЯ УСЛОВНЫХ ОБОЗНАЧЕНИЙ ОКОНЕЧНЫХ И ПРОМЕЖУТОЧНЫХ ПУНКТОВ ЛП С АППАРАТУРОЙ СП СЦИ НА СХЕМАХ ОРГАНИЗАЦИИ СВЯЗИ 1. Система передачи 155 Мбит/с
______________ * Около условного обозначения указывают тип аппаратуры. Рисунок 1 2. Система передачи 622 Мбит/с
Рисунок 2 3. Система передачи 2,5 Гбит/с
Рисунок 3 ПРИЛОЖЕНИЕ 1а. (Введено дополнительно, Изм. № 1). ПРИЛОЖЕНИЕ 2 Справочное АЛФАВИТНЫЙ УКАЗАТЕЛЬ УСЛОВНЫХ ОБОЗНАЧЕНИЙ
ПРИЛОЖЕНИЕ 2. (Измененная редакция, Изм. № 1). Поделитесь этой записью или добавьте в закладки |
| ||||||||||||||||||||||||||||||||||||||||||||||||||||||||||||||||||||||||||||||||||||||||||||||||||||||||||||||||||||||||||||||||||||||||||||||||||||||||||||||||||||||||||||||||||||||||||||||||||||||||||||||||||||||||||||||||||||||||||||||||||||||||||||||||||||||||||||||||||||||||||||||||||||||||||||||||||||||||||||||||||||||||||||||||||||||||||||||||||||||||||||||||||||||||||||||||||||||||||||||||||||||||||||||||||||||||||||||||||||||||||||||||||||||||||||||||||||||||||||||||||||||||||||||||||||||||||||||||||||||||||||||||||||||||||||||||||||||||||||||||||||||||||||||||||||||||||||||||||||||||||||||||||||||||||||||||||||||||||||||||||||||||||||||||||||||||||||||||||||||||||||||||||||||||||||||||||||||||||||||||||||||||||||||||||||||||||||||||||||||||||||||||||||||||||||||||||||||||||||||||||||||||||||||||||||||||||||||||||||||||||||||||||||||||||||||||||||||||||||||||||||||||||||||||||||||||||||||||||||||||||||||||||||||||||||||||||||||||||||||||||||||||||||||||||||||||||||||||||||||





































































































































































































































































