ГОСТ 5089-97 МЕЖГОСУДАРСТВЕННЫЙ СТАНДАРТ ЗАМКИ И ЗАЩЕЛКИ ДЛЯ ДВЕРЕЙ Технические условия LOCKS AND LATCHES FOR DOORS Specifications Дата введения 1998-01-01 Предисловие 1 РАЗРАБОТАН Центральным проектно-конструкторским и технологическим бюро (ЦПКТБ) Минстроя России ВНЕСЕН Минстроем России 2 ПРИНЯТ Межгосударственной научно-технической комиссией по стандартизации, техническому нормированию и сертификации в строительстве (МНТКС) 23 апреля 1997 г. За принятие проголосовали
3 ВЗАМЕН ГОСТ 5089-90 4 ВВЕДЕН В ДЕЙСТВИЕ с 1 января 1998 г. в качестве государственного стандарта Российской Федерации постановлением Госстроя России от 25 августа 1997 г. № 18-46 1 Область применения Настоящий стандарт распространяется на замки и защелки для дверей, применяемых в жилых и общественных зданиях. Обязательные требования к качеству замков, обеспечивающие безопасность граждан и их имущества, изложены в разделах 3 и 4. 2 Нормативные ссылки В настоящем стандарте использованы ссылки на следующие стандарты: ГОСТ 9.303—84 ЕСЗКС. Покрытия металлические и неметаллические неорганические. Общие требования к выбору ГОСТ 538—88 Изделия замочные и скобяные. Общие технические условия ГОСТ 1145—80 Шурупы с потайной головкой. Конструкция и размеры ГОСТ 1146—80 Шурупы с полупотайной головкой. Конструкция и размеры ГОСТ 17474—80 Винты с полупотайной головкой классов точности А и В. Конструкция и размеры ГОСТ 17475—80 Винты с потайной головкой классов точности А и В. Конструкция и размеры ГОСТ 19091—82 Замки врезные и накладные цилиндровые и защелки врезные. Методы испытаний ГОСТ 23306—87 Замки врезные и накладные сувальдные для деревянных дверей. Методы испытаний. 3 Классы, основные параметры и размеры 3.1 Классы, характеристики классов, требования по прочности и стойкости замков к разрушающим и неразрушающим способам их вскрытия и рекомендуемая область применения приведены в таблице 1. Таблица 1
Замки классов 2—4 подлежат обязательной сертификации. 3.2 Типы, основные размеры замков, защелок, цилиндровых механизмов, ручек, накладок и ключей указаны на рисунках A.1— А.34. Допускается изменение габаритов замков при комплектации их тягами или другими устройствами, повышающими их стойкость к вскрытию. Форма корпусов накладных замков, ручек с накладками, накладок, запорных и лицевых планок, головок ключей и исполнение углов корпусов врезных замков и защелок устанавливаются в рабочих чертежах. 3.3 Замки и защелки должны обозначаться марками. Марки замков и защелок указаны в приложении Б. Условное обозначение замка или защелки должно состоять из марки замка или защелки, класса замка и обозначения настоящего стандарта. Пример условного обозначения замка марки ЗВ1-1 класса 2: ЗВ1-1 кл.2 ГОСТ 5089-97. То же, защелки марки 3Щ1-1: ЗЩ1-1 ГОСТ 5089-97. 4 Технические требования 4.1 Замки и защелки должны удовлетворять требованиям ГОСТ 538 и настоящего стандарта. Замки и защелки следует изготавливать по конструкторской документации, разработанной в соответствии с требованиями настоящего стандарта. Конструкторская документация на замок должна включать таблицу секретов. Конструкторская документация и образцы-эталоны на замки и защелки должны быть согласованы с организацией, назначенной органом государственного управления строительством. 4.2 Число секретов замков в зависимости от количества элементов секретности и размеры цилиндрового механизма приведены в таблице 2. Таблица 2
4.3 Замок не должен открываться ключами других секретов. 4.4 Требования к надежности 4.4.1 Сборочные единицы замков в зависимости от класса и защелок должны безотказно выдерживать число циклов работы (наработка), указанное в таблице 3. Таблица 3
4.5 Требования к прочности 4.5.1 В зависимости от класса замки должны быть прочными и сохранять работоспособность после приложения сил, указанных в таблице 1. 4.5.2 Ключи должны быть прочными и выдерживать момент силы, приложенный к ключу, Н · м, не менее: сувальдного замка — 3; цилиндрового замка — 2. 4.5.3 Ручки к замкам и защелкам должны быть прочными и выдерживать момент силы, приложенный к фалевой ручке (ручке-кнопке), не менее 15 Н · м. 4.6 Требования к стойкости к вскрытию (взлому) 4.6.1 Замки классов 2—4 должны противостоять применению разрушающих и неразрушающих способов их вскрытия в течение времени, установленного в таблице 1. 4.6.2 Механизм секретности замков классов 2—4 должен иметь защиту от высверливания и открывания отмычками. 4.6.3 Накладки врезных замков классов 2—4 должны закрепляться винтами. 4.6.4 Замки классов 3, 4 должны иметь: вылет засова не менее 25 мм; защиту от перепиливания засова (термообработанная головка засова или вставленные в нее термообработанные элементы). 4.6.5 Стойки хвостовиков засовов сувальдных замков классов 3, 4 должны иметь защитные элементы от высверливания. 4.7 Конструктивные требования 4.7.1 Корпуса замков и защелок должны быть закрытыми и иметь съемные крышки. Номинальная толщина стенок стальных корпусов и крышек врезных замков должна быть не менее 1,5 мм. Зазоры между головкой засова и стенкой корпуса, между головкой засова и крышкой у замков должны быть не более 1 мм. 4.7.2 Врезные замки и защелки могут иметь местные вырезы в корпусе и крышке в местах расположения головок защелок. 4.7.3 Накладные замки должны иметь предохранители для фиксирования защелки в введенном в корпус положении. 4.7.4 Цилиндровый механизм не должен выступать над поверхностью защитно-декоративной планки или накладки более чем на 4 мм. 4.7.5 Суммарные размеры штифтов цилиндра и корпуса, пружины в полностью сжатом состоянии и заглушки должны превышать длину отверстия в корпусе не менее чем на 2 мм и не менее чем в двух отверстиях в корпусе цилиндрового механизма. 4.7.6 Штифты цилиндра и корпуса цилиндрового механизма замка должны иметь фаску или сферу в соответствии с рисунком 1. 4.7.7 Цилиндры всех типов штифтовых цилиндровых механизмов должны иметь буртик (рисунок А.13), а цилиндры пластинчатых цилиндровых механизмов — буртик и стальную закаленную шайбу (рисунок А. 14). Штифты корпуса цилиндрового механизма замков классов 2—4 должны иметь центральную проточку, указанную на рисунке 1. Число штифтов с проточкой должно быть на два меньше числа штифтов, взаимодействующих с одной рабочей гранью ключа.
1 — штифт цилиндра; 2 — штифт корпуса Рисунок 1 4.7.8 Степень точности соединения корпуса цилиндрового механизма с цилиндром должна быть для замков: класса 1 до 12-го квалитета включ.; классов 2, 3 » 9-го » » ; класса 4 » 7-го » » . 4.7.9 Отверстия для штифтов в корпусе цилиндрового механизма должны иметь индивидуальные заглушки. Допускается применение общей заглушки при наличии ее защиты от вскрытия. Применение пластмассовых заглушек не допускается. 4.7.10 Стойка хвостовика засова сувальдного замка должна быть прямоугольной формы. Основные размеры, мм, стойки хвостовика засова и выступы сувальд замка, радиусы их закругления должны соответствовать указанным на рисунках 2 и 3.
4.7.11 Зазор между выступами сувальд H и стойкой h засова, указанный на рисунке 3, не должен быть более, мм: 0,5 — для замков классов 3,4; 0,6 — » » класса 2; 0,8 — » » » 1. 4.7.12 Угол у основания зубьев сувальд для замков классов 3, 4 должен быть не более 93° при радиусе на выступах сувальд менее 0,3 мм. Для замков класса 2 допускается угол 95°; для замков класса 1 — до 105° при радиусе на выступах сувальд менее 0,5 мм (рисунок 3). 4.7.13 Применение общей пружины для сувальд не допускается. 4.7.14 Замки и защелки с фалевыми ручками или ручками-кнопками должны иметь механизм, обеспечивающий возврат ручек в исходное горизонтальное положение. 4.7.15 Пружины для защелки и возврата ручки должны быть автономными. 4.7.16 Конструкция защелок с механизмом дополнительного запирания типов ЗЩ1Д и ЗЩ2Д должна обеспечивать возможность снятия дополнительного запирания с наружной стороны двери. 4.7.17 Засовы, защелки в введенном в корпус положении не должны выступать более чем на 0,5 мм и западать внутрь более чем на 1 мм относительно лицевой поверхности планки. Острые углы защелкивающегося засова и защелки должны быть скруглены. 4.7.18 Отверстия для засова, защелки в запорной планке должны быть больше высоты засова, защелки на 4—6 мм и толщины (ширины) засова, защелки — на 1—3 мм. Во врезных замках с засовом, защелкой или фиксатором отверстия в запорных планках для них должны быть одинаковыми и больше по высоте на 4—6 мм и ширине — на 1—3 мм большего размера засова, защелки или фиксатора. Запорные планки замков с засовом из стержней круглого сечения могут иметь общее отверстие для засова. Запорные планки для защелок толщиной 1,5 мм и более могут не иметь отогнутой кромки под защелку. 4.7.19 Запорные планки для замков класса 4 должны быть коробчатой формы с креплением их не менее чем четырьмя шурупами. 4.7.20 Врезные замки и защелки допускается изготавливать с декоративно-лицевыми планками. Толщина планок, мм, должна соответствовать указанной на рисунках 4, 5.
4.7.21 В пластинчатом цилиндровом механизме для накладных замков следует предусматривать шторку, автоматически закрывающую ключевое отверстие. 4.7.22 Профиль ключевых отверстий в корпусе сувальдного замка должен обеспечивать ввод ключа в определенном положении. Соответственно на головке ключа должен быть отличительный признак для ориентации при вводе его в замок. 4.7.23 Ввод защелки в корпус замка типа ЗВ7 должен осуществляться как от фалевой ручки, так и от ключа. 4.7.24. Накладки врезных замков класса 1 допускается закреплять шурупами. 4.8 Эргономические требования 4.8.1 Величины эксплуатационных усилий замка и защелки при испытании должны соответствовать: силе, приложенной: к торцу засова сувальдного замка при его выводе из корпуса — не менее 49 Н (5 кгс); к защелке или защелкивающемуся засову для ввода в корпус — (3—20) Н [(0,3—2,0) кгс]; к регулируемому фиксатору для ввода в корпус — (25—45) Н [(2,5— 4,5) кгс], к нерегулируемому фиксатору — (5—25) Н [(0,5—2,5) кгс]; моменту силы, приложенному: к ключу (постоянному ключу) для ввода защелки в корпус — не более 0,9 Н · м (0,09 кгс · м); к ключу (постоянному ключу) для ввода засова в корпус — не более 0,6 Н · м (0,06 кгс · м); к фалевой ручке для ввода защелки в корпус — (0,6—2,0) Н · м [(0,06—0,20) кгс · м]; к ручке-кнопке для ввода защелки в корпус — (0,3—1,5) Н · м [(0,03—0,15) кгс · м]. 4.9 Требования к покрытиям 4.9.1 Покрытия замков и защелок должны соответствовать ГОСТ 538 и настоящему стандарту. 4.9.2 Для замков и защелок устанавливают следующие группы условий эксплуатации в соответствии с ГОСТ 9.303: 1 — для замков ЗВ2, ЗВ8-4, ЗВ9-4, ЗН1 ЗН4 и защелок ЗЩ1ЗЩ4; 2,3 — для замков ЗВ1, ЗВ4, ЗВ5, ЗВ7, ЗВ8-6, ЗВ9-6, ЗВ10, ЗВ13, защелок ЗЩ1Д, ЗЩ2Д. Врезные замки и защелки без ручек с накладками и декоративно-лицевых планок могут иметь цинковое, никелевое, лакокрасочное или полимерное покрытие. 4.10 Комплектность 4.10.1 Замки и защелки должны поставляться комплектно в соответствии с конструкторской документацией согласно приложению Б и ГОСТ 538. 4.10.2 Врезные замки ЗВ4, ЗВ5, ЗВ7, ЗВ9, 3В10 допускается комплектовать соответствующими запорными планками, указанными на рисунках B.1 и В.2. 4.10.3 Замки должны быть укомплектованы не менее чем тремя ключами. К комплекту ключей допускается дополнительно прикладывать заготовки ключей. Число ключей и заготовок следует указывать при заказе. 4.11 Маркировка 4.11.1 Маркировку замков и защелок устанавливают по ГОСТ 538 со следующими дополнениями. 4.11.2 На потребительской упаковке должны быть указаны число секретов замка и его класс, в эксплуатационной документации — класс замка и его характеристика. На ключах не допускается указывать состав секрета. 4.11.3 На комплектующих изделиях замков и защелок, поставляемых как самостоятельные изделия, по согласованию с потребителем допускается маркировка товарного знака предприятия-изготовителя на упаковке или этикетке. Заготовки ключей должны иметь товарный знак предприятия-изготовителя. 4.12 Упаковка Упаковка замков и защелок — по ГОСТ 538. 5 Правила приемки 5.1 Замки и защелки должны быть приняты службой технического контроля предприятия-изготовителя на соответствие требованиям настоящего стандарта, ГОСТ 538, образцов-эталонов и конструкторской документации на конкретные виды изделий. 5.2 Приемку изделий на соответствие требованиям, установленным ГОСТ 538, проводят по указанному стандарту. 5.3 Для проверки соответствия замков и защелок требованиям настоящего стандарта проводят приемочный контроль. 5.4 При приемочном контроле проверяют требование 4.3. От каждых 100 замков партии отбирают по 5 изделий, при этом общий объем выборки не должен превышать 30 изделий. Если при проверке требования 4.3 хотя бы одно изделие не соответствует настоящему стандарту, проводят сплошной контроль проверяемой партии по этому показателю. 5.5 Требования 4.8 проверяют периодически один раз в год. 5.6 Размеры, установленные в настоящем стандарте и конструкторской документации на конкретные виды изделий, проверяют при операционном (производственном) контроле в соответствии с утвержденным технологическим регламентом. 5.7 Периодические испытания замков и защелок должны проводиться не реже одного раза в год. Порядок проведения и объем периодических испытаний — по ГОСТ 538. 5.8 Типовые испытания замков и защелок проводят в соответствии с ГОСТ 538. 5.9 Приемочные испытания замков и защелок проводят в соответствии с ГОСТ 538 со следующим дополнением. При постановке на производство вновь осваиваемых замков и при сертификации необходимо проводить испытания на надежность, прочность, эксплуатационные усилия, а также по показателю стойкости замков к вскрытию (взлому) в испытательных лабораториях, аккредитованных на право проведения указанных испытаний. По результатам проведенных испытаний устанавливают класс замка. 5.10 Для проверки комплектности и маркировки изделий проводят сплошной контроль. 6 Методы контроля 6.1 Методы контроля изделий — по ГОСТ 538, ГОСТ 19091, ГОСТ 23306. 6.2 Контроль показателя стойкости замков к вскрытию (взлому) проводят по методикам испытательных лабораторий органов МВД. 6.3 При контроле требования 4.3 ключом каждого замка проверяют возможность отпирания остальных замков, отобранных по 5.4. 7 Транспортирование и хранение Транспортирование и хранение — по ГОСТ 538. 8 Гарантии изготовителя Гарантии изготовителя — по ГОСТ 538. ПРИЛОЖЕНИЕ А (обязательное) Замки Запорные планки для замков типов
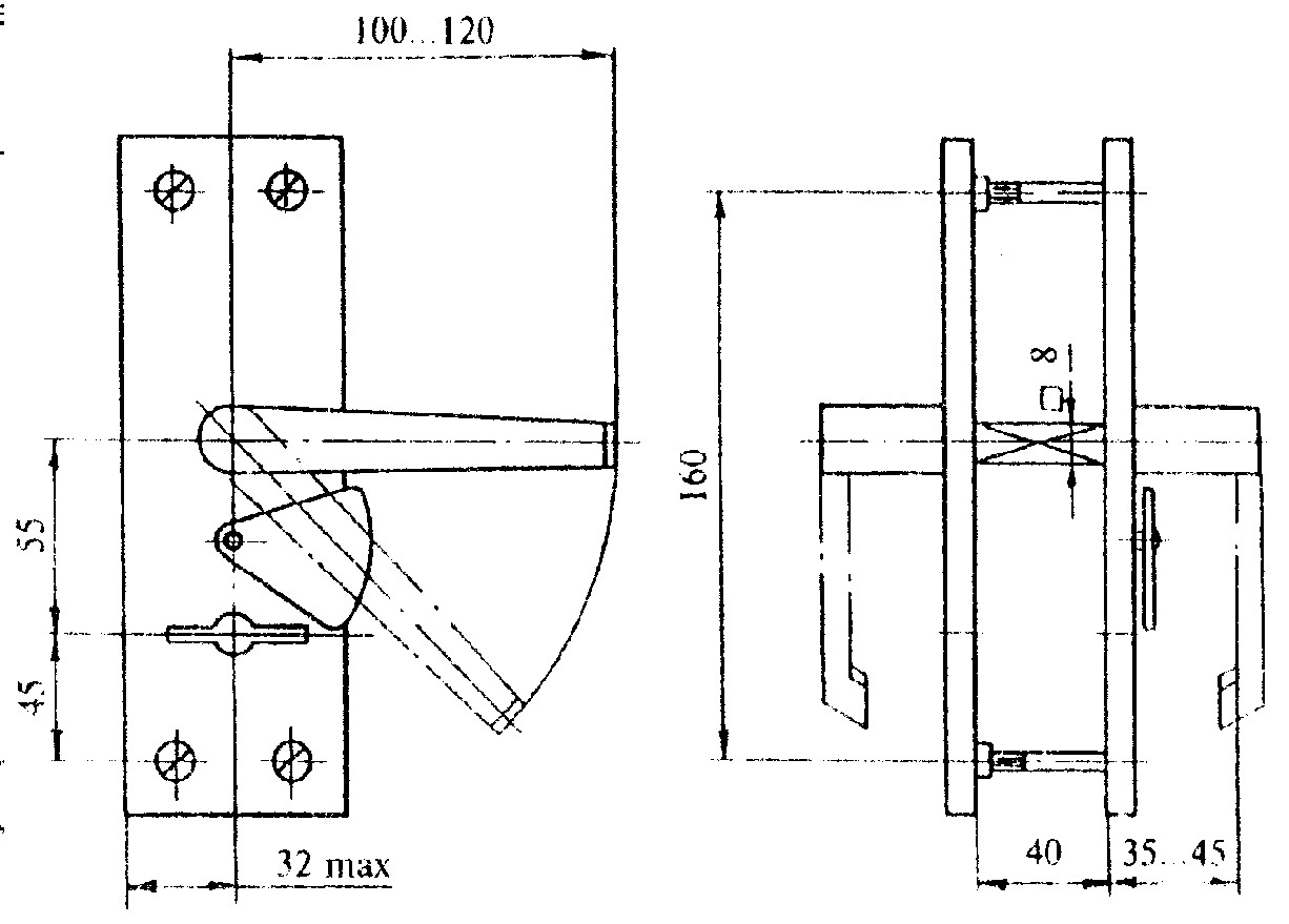
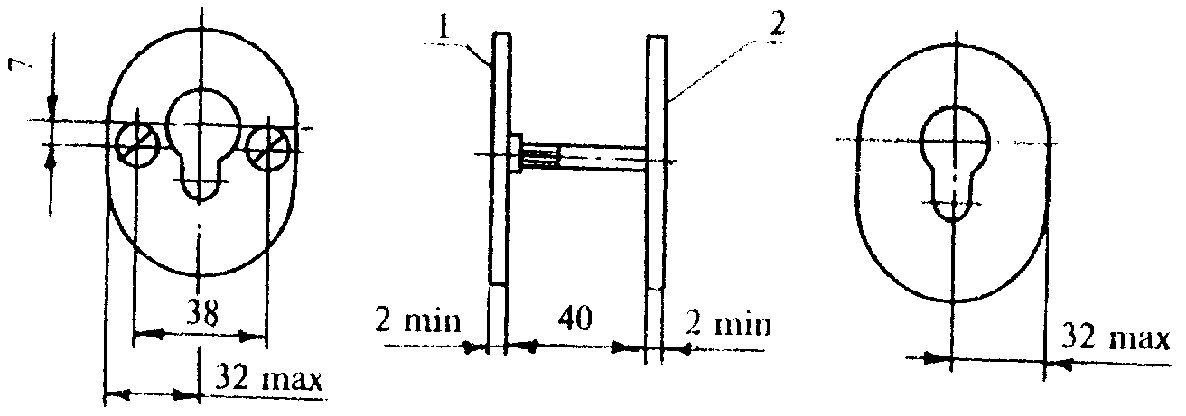
* При комплектации цилиндровым механизмом типа МЦ4. Рисунок А. 1 — Замки врезные, типы ЗВ1 и ЗВ8 Запорная планка
Шурупы 4х30 (4 шт.) — по ГОСТ 1145. Рисунок А.2 — Замок врезной, тип ЗВ2 Запорная планка
I* — III* — см. рисунок A.1 ** При комплектовании замков ручками РФ4 В миллиметрах
Рисунок А.З — Замки врезные, типы ЗВ4, ЗВ7 и ЗВ9
I* — III* — см. рисунок A.1. Шурупы 4х30 (5 шт.) по ГОСТ 1145. Рисунок А.4 — Замки врезные, типы ЗВ5 и ЗВ10 Запорная планка
I* — см. рисунок A.1. Шурупы 4х30 (6 шт.) — по ГОСТ 1145. Рисунок А.5 — Замок врезной, тип ЗВ13
1 Вариант исполнения засова и запорной планки
Запорная планка
* Размер для направляющей ключа замка типа ЗН4. ** Допускается для корпусов и запорных планок из стали. Шурупы 4х30 (4 шт.) и 4х50 (4 шт.) — по ГОСТ 1145. Рисунок А.6 — Замки накладные, типы ЗН1 и ЗН4
Запорная планка
*Допускается для корпусов и запорных планок из стали. Шурупы 4х30 (4 шт.) и 4х50 (4 шт.) - по ГОСТ 1145 Рисунок А.7 - Замок накладной, тип 3Н2
Запорная планка
I Вариант для исполнения засова и запорной планки
*Допускается для корпусов и запорных планок из стали. Шурупы 4х30 (5 шт.) и 4х50 (4 шт.) - по ГОСТ 1145 Рисунок А.8 - Замок накладной, тип 3Н3 Запорная планка
* Для вновь осваиваемых защелок. ** Для защелок, устанавливаемых на дверях толщиной 30 мм. Шурупы 4х(20-25) (4 шт.) - по ГОСТ 1145 Рисунок А.9 - Защелки врезные, типы ЗЩ1 и ЗЩ1Д Запорная планка
* Для вновь осваиваемых защелок. Шурупы 4х(20-25) (4 шт.) - по ГОСТ 1145 Рисунок А.10 - Защелки врезные, типы ЗЩ2 и ЗЩ2Д
Шурупы 3х25 (4 шт.) - по ГОСТ 1145. Рисунок 4.11 - Защелка врезная, тип 3Щ3
Шурупы 4х(20-25) (4 шт.) - по ГОСТ 1145 Рисунок А.12 - Защелка врезная, тип 3Щ4
Рисунок А.13 - Механизм цилиндровый для врезных замков, тип МЦ1
Рисунок А.14 - Механизм цилиндровый для врезных замков, тип МЦ2
Рисунок А.15 - Механизм цилиндровый для врезных замков, тип МЦ3
Рисунок А.16 - Механизм цилиндровый для врезных замков, тип МЦ4
Рисунок А.17 - Механизм цилиндровый для накладных замков, тип МЦ8
Рисунок А.18 - Механизм цилиндровый для накладных замков, тип МЦ9
Рисунок А.19- Механизм цилиндровый для накладных замков, тип МЦ10
Рисунок А.20 - Механизм цилиндровый для накладных замков, тип МЦ11
Исполнение I Исполнение II
* Для замков типа 3В7 Винты М5х(45-55) (4 шт.) - по ГОСТ 17474 или ГОСТ 17475 Пример условного обозначения фалевой ручки с накладками исполнения I, типоразмера РФ1-55 - Ручка РФ1-I-55 ГОСТ 5089-97 То же, исполнения II, типоразмера РФ1-72 - Ручка РФ1-II-72 ГОСТ 5089-97 Рисунок А.21 - Ручки фалевые с накладками для замков, тип РФ1
Винты М5х(45-55) (4 шт.) - по ГОСТ 17474 или ГОСТ 17475. Пример условного обозначения фалевой ручки типа РФ2 - Ручка РФ2 ГОСТ 5089-97. Рисунок А.22 - ручки фалевые с накладками для замков, тип РФ2
*I, II - см. рисунок А.21 ** Для замков типа 3В7 Винты М5х(45-55) (4 шт.) - по ГОСТ 17474 или ГОСТ 17475. Пример условного обозначения фалевой ручки с накладками исполнения I, типоразмера РФ3-55 - Ручка РФ3-I-55 ГОСТ 5089-97 То же, исполнения II, типоразмера РФ3-55 - Ручка РФ3-I-55 ГОСТ 5089-97 Рисунок А.23 - Ручки фалевые с накладками для замков, тип РФ3.
* Обязателен при комплектовании врезных замков. Расположение отверстий под крепление ручек для защелок стандартом не устанавливается. Винты для замков М5х(40-55) (2 шт.) - по ГОСТ 17474 или ГОСТ 17475. Винты для защелок М5х(40-55) (2 шт.) - по ГОСТ 17474 или ГОСТ 17475 или шурупы 4х(20-25) (4 шт.) - по ГОСТ 1145 или ГОСТ 1146. Пример условного обозначения фалевой ручки типа РФ4 - Ручка РФ4 ГОСТ 5089-97. Рисунок А.24 - Ручки фалевые с накладками для замков и защелок, тип РФ4
Винты М5х(40-45) (2 шт.) - по ГОСТ 17474 или ГОСТ 17475 или шурупы 4х(20-25) (4 шт.) - по ГОСТ 1145 или ГОСТ 1146 Пример условного обозначения фалевой ручки типа РФ5 - Ручка РФ5 ГОСТ 5089-97 Рисунок А.25 - Ручки фалевые с накладками для защелок, тип РФ5
Винты М5х(40-45) (2 шт.) - по ГОСТ 17474 или ГОСТ 17475 или шурупы 4х(20-25) (4 шт.) - по ГОСТ 1145 или ГОСТ 1146 Пример условного обозначения фалевой ручки типа РК4 - Ручка РК4 ГОСТ 5089-97 Рисунок А.26 - Ручки фалевые с накладками для защелок, тип РК4 Исполнение I
1 - накладка наружная; 2 - накладка внутренняя Исполнение II
1 - накладка наружная; 2 - накладка внутренняя Винты М5х(45-60) (2 шт.) - по ГОСТ 17474 или ГОСТ 17475. Пример условного обозначения накладок типа Н1 исполнения I - Накладка H1-I ГОСТ 5089-97 Рисунок А.27 - Накладки для врезных цилиндровых замков, тип Н1
1 - накладка наружная; 2 - накладка внутренняя Винты М5х(40-55) (2 шт.) - по ГОСТ 17474 или ГОСТ 17475. Рисунок А.28 - Накладки для врезных замков с цилиндровым механизмов МЦ4, тип Н2
1 - накладка наружная; 2 - накладка внутренняя Шурупы 3х(13-16) (4 шт.) - по ГОСТ 1145 Рисунок А.29 - Накладки для врезных сувальдных замков, тип Н3
Рисунок А.30 - Накладки для накладных цилиндров и сувальдных замков, тип Н4
Варианты исполнения рекомендуемые
* При открытом пазе в цилиндре. Профиль ключа может быть изготовлен в зеркальном исполнении. Нарезаемая часть ключа толщиной 1,4 мм может быть симметрична или асимметрична относительно оси ключа. Рисунок А.31 - Ключ для цилиндрового механизма с односторонней нарезкой секторов, тип 3Ц1
Варианты исполнения (рекомендуемые)
Рисунок А.32 - Ключ для цилиндрового механизма с двусторонней нарезкой секторов, тип 3Ц2
* Допускается для стальных ключей Рисунок А.33 - Ключ для врезного сувальдного замка, тип 3С1
* Допускается для стальных ключей Рисунок А.34 - Ключ для врезного сувальдного замка, тип 3С2 ПРИЛОЖЕНИЕ Б (обязательное) Марки замков и защелок Таблица Б.1
Таблица Б.2
ПРИЛОЖЕНИЕ В (рекомендуемое) Запорные планки для замков типов 3В4, 33В5, 3В7, 3В9, 3В10
Содержание 1 Область применения 2 Нормативные ссылки 3 Классы, основные параметры и размеры 4 Технические требования 5 Правила приемки 6 Методы контроля 7 Транспортирование и хранение 8 Гарантии изготовителя Приложение А Замки Приложение Б Марки замков и защелок Приложение В Запорные планки для замков типов ЗВ4, ЗВ5, ЗВ7, ЗВ9, ЗВ10 УДК 683.338.2:006.354 ОКС 77.140 Ж34 ОКСТУ 4981 Ключевые слова: замки, защелки, двери, жилые здания, общественные здания Категория: нормативы Кодексы Государственные элементные сметные нормы Рекомендации сметные нормыПоделитесь этой записью или добавьте в закладки |
| ||||||||||||||||||||||||||||||||||||||||||||||||||||||||||||||||||||||||||||||||||||||||||||||||||||||||||||||||||||||||||||||||||||||||||||||||||||||||||||||||||||||||||||||||||||||||||||||||||||||||||||||||||||||||||||||||||||||||||||||||||||||||||||||||||||||||||||||||||||||||||||||||||||||||||||||||||||||||||||||||||||||||||||||||||||||||||||||||||||||||||||||||||||||||||||||||||||||||||||||||||||||||||||||||||||||||||||||||||||||||||||||||||||||||||||||||||||||||||||||||||||||||||||||||||||||||||||||||||||||||||||||||||||||||||||||||||||||||||||||||||||||||||||||||||||||||||||||||||||||||||||||||||||||||||||||||||||||||||||||||||||||||||||||||||||||||||||||||||||||||||||||||||||||||||||||||||||||||||||||||||||||||||||||||||||||||||||||||||||||||||||||||||||||||||||||||||||||||||||||||||||||||||||||||||||||||||||||||||||||||||||||||||||||||||||||||||||||||||||||||||||||||||||||||||||||||||||||||||||||||||||||||||||||||||||||||||||||||||||||||||||||||||||||||||||||||||||||||||||||


























































































